Alfacomp
Baixe a folha de dados produto
Na busca constante por competitividade e redução de custos, a indústria de componentes eletroeletrônicos procura oferecer dispositivos cada dia mais compactos, viabilizando assim montagens de quadros de comando menores e mais econômicos. Boa parte da área de um painel elétrico com muitas saídas digitais é destinada aos relés. Pois bem, imagine reduzir pela metade o espaço ocupado pelos relés no quadro de comando. Considerando relés medindo 6 mm de largura, por exemplo, 64 relés enfileirados irão ocupar 38,4 cm.
Funcionamento do isolador a relé
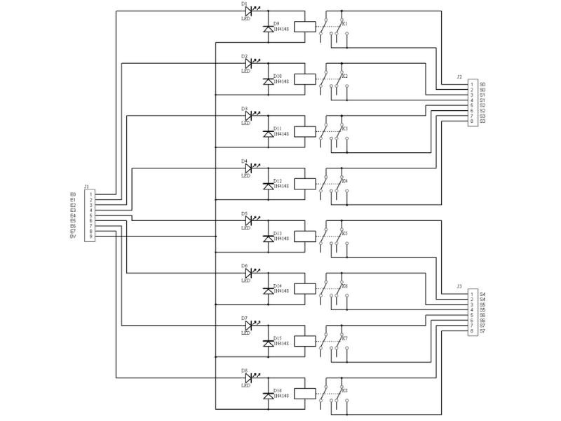
O isolador a relé ID2908 possui 8 relés e transforma 8 saídas digitais de 24V em saídas de contato seco. As bobinas dos relés tem uma ligação em comum no borne 0V. O módulo possui 8 saídas independentes e isoladas; S0 até S7. Ocupando apenas 23 mm no trilho DIN, o módulo funciona como borneira, simplificando a montagem de quadros de comando e economizando espaço. 8 LEDs indicam o estado dos relés. As conexões são por bornes destacáveis, facilitando a troca rápida de módulos.
Comparação do espaço ocupado por 64 bornes relé e 8 isoladores a relé
| Especificação | Detalhe |
|---|---|
| Tensão de acionamento | 24 VCC |
| Capacidade de comutação | 2A em 220 VCA |
| Indicação | 8 LEDs indicam o estado dos relés |
| Dimensões | Altura 88 x Largura 23 x Profundidade 74 mm (conectores incluídos) |
| Formato | Placa eletrônica em suporte metálico aberto e fixação para trilho DIN |
Somos referência em automação e controle industrial no Brasil. Atuamos como consultoria de engenharia, fabricantes de soluções próprias e distribuidores exclusivos Haiwell, oferecendo CLPs, IHMs e sistemas completos de automação. Unimos experiência, inovação e proximidade para elevar a eficiência, a segurança e a competitividade das indústrias em todo o país.
Isolador a relé para 8 saídas digitais - ID2908
© Copyright 2025. DIVIA Marketing Digital. Todos os Direitos Reservados

Envie uma avaliação