Alfacomp
Os produtos da série de medidores de nível de água por radar referem-se a produtos de radar de onda contínua modulada em frequência (FMCW) que funcionam a 76-81GHz.
A quantidade máxima do produto pode atingir 65m, com um ângulo morto de 10cm. Devido à sua maior frequência de funcionamento, maior largura de banda e maior precisão de medição.
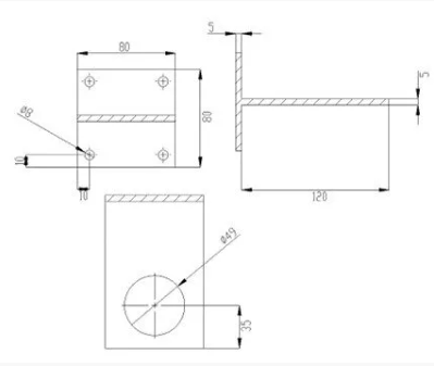
O produto fornece um método de fixação para o suporte, sem a necessidade de calibragem no local, tornando a instalação conveniente e simples.
As principais vantagens da série de medidores de nível de radar SR-FM80-SD são as seguintes:
| Especificação | Detalhe |
|---|---|
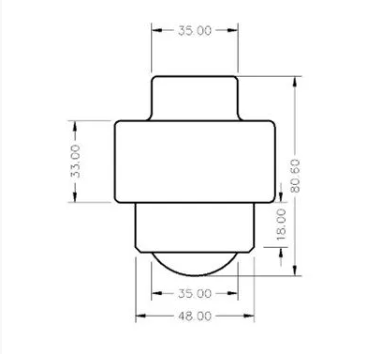
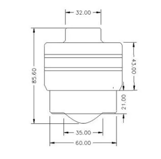
| Range de medição | 0.1 m ~ 65m (ajustável) |
| Precisão da medição | ±1mm |
| Ângulo de feixe | 6° |
| Alimentação do range | 12-24VDC |
| Comunicação | RS485 |
| Temperatura de trabalho | -30~75℃ |
| Material do invólucro | SS /PP |
| Tipo de antena | Lens antenna |
| Cabos recomendados | 0.5mm² |
| Nível de proteção | IP67 |
| Metodo de instalação | Bracket/Thread |
| Entrada de cabo | PG9 |








Somos referência em automação e controle industrial no Brasil. Atuamos como consultoria de engenharia, fabricantes de soluções próprias e distribuidores exclusivos Haiwell, oferecendo CLPs, IHMs e sistemas completos de automação. Unimos experiência, inovação e proximidade para elevar a eficiência, a segurança e a competitividade das indústrias em todo o país.
Medidor de nível por radar para rios 80G FM – Sem display SR-FM80-SD
© Copyright 2026. DIVIA Marketing Digital. Todos os Direitos Reservados

Envie uma avaliação