Alfacomp
O transmissor de vazão eletromagnético TVE20 permite a medição da vazão de líquidos em tubulações de 10 a 350 milímetros de diâmetro utilizando o princípio eletromagnético baseado na Lei de Faraday.

Características principais do transmissor de vazão eletromagnético
Aplicações
Os medidores de vazão eletromagnéticos utilizam a Lei de Faraday para detectar e medir a vazão. Dentro de um transmissor de vazão eletromagnético existe uma bobina que gera um campo magnético e eletrodos que capturam o campo elétrico resultante do movimento do líquido que está sob o campo magnético.
Segundo a Lei de Faraday, movendo líquidos condutivos dentro de um campo magnético, gera-se uma força eletromotriz (voltagem). Ou seja, a velocidade do fluxo do líquido movendo dentro do campo magnético gera um campo elétrico proporcional. O campo elétrico E é proporcional a V x B x D (velocidade x campo magnético x diâmetro).

Os transmissores de vazão eletromagnéticos apresentam as seguintes características:
Não podem ser utilizados em líquidos que não sejam condutivos.
A condutividade expressa a facilidade com que o líquido permite a condução da corrente elétrica. A condutividade é medida em S/cm (siemens por centímetro). A água comum da torneira tem condutividade média de 100 a 200 μS/cm, água mineral de 500 μS/cm ou mais, e água pura de 0.1 μS/cm ou menos.
| Parâmetro | Valor |
|---|---|
| Tamanho | DN10 a DN350 |
| Meio | Líquidos condutivos |
| Temperatura do meio | Classe E ≤ 60°C / Grau CH ≤ 180°C |
| Precisão | 0,25% a 0,5% |
| Repetibilidade | 0,1% a 0,17% |
| Pressão da tubulação | 0,6; 1,0; 1,6; 2,5; 4,0; 6,4 MPa (ou conforme especificado pelo cliente) |
| Indicações do display | Vazão instantânea, totalização, velocidade, taxa de vazão |
| Sinais de saída | 4 a 20mA, pulsos, RS485, Hart |
| Alimentação | 85 a 265 VCA ou 18 a 36 VCC |
| Tipo de conversor | Integrativo |
| Proteção | IP65 / IP68 |
| A prova de explosão | (Opcional sob encomenda) Ex deibmb IIC T3 ~ 6 |
| Velocidade | 0,05 a 12 m/s |
| Revestimento |
PU (DN25 a DN500) F4 (PTFE) (DN25 a DN1600) F46 (FEP) (DN10 a DN200) PFA (DN10 a DN30) |
| Direção do fluxo | Direto e reverso |
| Material do eletrodo | 316L, Pt, Ta, Ti, HB, HC, WC |
| Número de eletrodos | 3 a 6 unidades |
| Material do flange | SS / CS |
| Alarme | Vazio, excitação, limite superior e limite inferior |
| Temperatura ambiente | -30°C |
Faixas de Medição (m³/h)
| DN (mm) | Faixa de medição | Precisão |
|---|---|---|
| DN10 | 0,014 a 3,39 | 0,08 a 2,82 |
| DN15 | 0,03 a 7,63 | 0,19 a 6,35 |
| DN20 | 0,06 a 13,56 | 0,33 a 11,34 |
| DN25 | 0,09 a 21,19 | 0,52 a 17,66 |
| DN32 | 0,14 a 34,72 | 0,86 a 29,93 |
| DN40 | 0,23 a 54,25 | 1,35 a 45,21 |
| DN50 | 0,35 a 84,78 | 2,12 a 70,65 |
| DN65 | 0,6 a 143 | 3,58 a 119 |
| DN80 | 0,90 a 217 | 5,43 a 180 |
| DN100 | 1,41 a 339 | 8,48 a 282 |
| DN125 | 2,21 a 529 | 13,25 a 441 |
| DN150 | 3,18 a 763 | 19,08 a 635 |
| DN200 | 5,65 a 1356 | 33,91 a 1130 |
| DN250 | 8,83 a 2119 | 52,99 a 1766 |
| DN300 | 12,7 a 3052 | 76 a 2543 |
| DN350 | 17,3 a 4154 | 103 a 3461 |
| DN400 | 22,6 a 5425 | 1355 a 4521 |
| DN450 | 28,6 a 6867 | 171 a 5722 |
| DN500 | 35,3 a 8478 | 211 a 7065 |
| DN600 | 51 a 12208 | 305 a 10173 |
| DN700 | 69 a 16616 | 415 a 13847 |
| DN800 | 90 a 21703 | 542 a 18086 |
| DN900 | 114 a 27468 | 686 a 22890 |
| DN1000 | 141 a 33912 | 847 a 28260 |
| DN1200 | 203 a 48833 | 1221 a 40694 |
| DN1400 | 277 a 66467 | 1662 a 55389 |
| DN1600 | 361 a 86814 | 2171 a 72345 |
| DN1800 | 457 a 109874 | 2747 a 91562 |

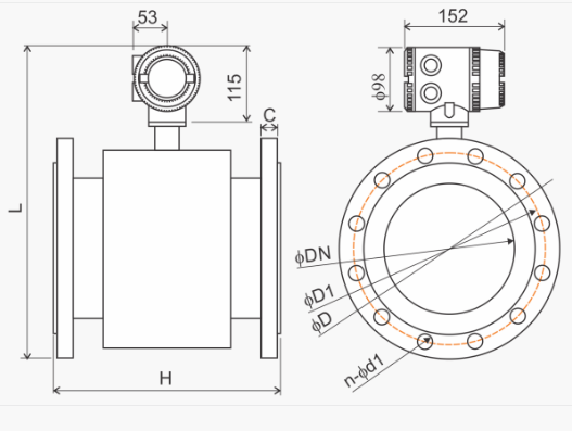
| DN | H | L | D1 | D | n-fd1 | C | Pressão |
|---|---|---|---|---|---|---|---|
| 10 | 160 | 260 | 60 | 90 | 4-f14 | 14 | PN4.0 |
| 15 | 265 | 65 | 95 | 4-f14 | 14 | - | |
| 20 | 272 | 75 | 105 | 4-f14 | 16 | - | |
| 25 | 280 | 85 | 115 | 4-f14 | 16 | - | |
| 32 | 290 | 100 | 140 | 4-f18 | 18 | - | |
| 40 | 200 | 305 | 110 | 150 | 4-f18 | 18 | - |
| 50 | 320 | 125 | 165 | 4-f18 | 20 | - | |
| 65 | 335 | 145 | 185 | 4-f18 | 20 | PN1.6 | |
| 80 | 350 | 160 | 200 | 8-f18 | 20 | - | |
| 100 | 250 | 370 | 180 | 220 | 8-f18 | 22 | - |
| 125 | 405 | 210 | 250 | 8-f18 | 22 | - | |
| 150 | 300 | 435 | 240 | 285 | 8-f22 | 24 | - |
| 200 | 350 | 495 | 295 | 340 | 12-f22 | 24 | - |
| 250 | 400 | 545 | 350 | 395 | 12-f22 | 26 | PN1.0 |
| 300 | 500 | 595 | 400 | 445 | 12-f22 | 26 | - |
| 350 | 630 | 460 | 505 | 16-f22 | 26 | - | |
| 400 | 600 | 685 | 515 | 565 | 16-f26 | 26 | - |
| 450 | 735 | 565 | 615 | 20-f26 | 28 | - | |
| 500 | 790 | 620 | 670 | 20-f26 | 28 | - | |
| 600 | 900 | 725 | 780 | 20-f30 | 34 | - | |
| 700 | 700 | 1035 | 840 | 895 | 24-f30 | 30 | - |
| 800 | 800 | 1140 | 950 | 1015 | 24-f33 | 32 | - |
| 900 | 900 | 1245 | 1050 | 1115 | 28-f33 | 34 | - |
| 1000 | 1000 | 135 | 1160 | 1230 | 28-f36 | 34 | - |
| 25 | 160 | 280 | 100 | 140 | 4-f18 | 24 | PN6.4 |
| 32 | 290 | 110 | 155 | 4-f22 | 24 | - | |
| 40 | 200 | 305 | 125 | 170 | 4-f22 | 26 | - |
| 50 | 320 | 135 | 180 | 4-f22 | 26 | - | |
| 65 | 340 | 160 | 205 | 8-f22 | 26 | - | |
| 80 | 350 | 170 | 215 | 8-f22 | 28 | - | |
| 100 | 250 | 375 | 200 | 250 | 8-f26 | 30 | - |
| 125 | 415 | 240 | 295 | 8-f30 | 34 | - | |
| 150 | 300 | 485 | 280 | 345 | 8-f30 | 36 | - |
| 200 | 350 | 520 | 345 | 415 | 12-f36 | 42 | - |
| 250 | 400 | 570 | 400 | 470 | 12-f36 | 46 | - |
| 300 | 500 | 625 | 460 | 530 | 16-f36 | 52 | - |
| 350 | 680 | 525 | 600 | 16-f39 | 56 | - |
| Material | Aplicações |
|---|---|
| Aço inoxidável 316L | Água, esgoto, líquidos neutros, soluções salinas fracas |
| Hastelloy C | Ácidos oxidantes fortes, como ácido nítrico, soluções oxidantes |
| Tântalo | Ácido clorídrico, ácido sulfúrico concentrado, bases fortes |
| Platina | Ácidos fortes, líquidos altamente corrosivos |
| Carvão vítreo | Ácidos e bases de média concentração |
| Material | Aplicações |
|---|---|
| Borracha dura | Água, esgoto, lama, polpa de minério |
| Borracha macia | Água potável, líquidos neutros |
| PTFE (Teflon) | Ácidos e bases fortes, líquidos corrosivos em geral |
| PFA | Líquidos químicos de alta temperatura e corrosividade |
| Poliuretano | Polpas abrasivas, líquidos com sólidos em suspensão |
Somos referência em automação e controle industrial no Brasil. Atuamos como consultoria de engenharia, fabricantes de soluções próprias e distribuidores exclusivos Haiwell, oferecendo CLPs, IHMs e sistemas completos de automação. Unimos experiência, inovação e proximidade para elevar a eficiência, a segurança e a competitividade das indústrias em todo o país.
Transmissor de vazão eletromagnético - TVE20
© Copyright 2026. DIVIA Marketing Digital. Todos os Direitos Reservados

Envie uma avaliação