Alfacomp
Baixe a folha de dados do produto
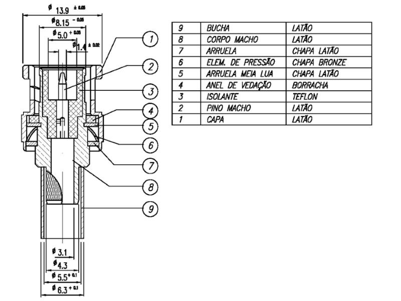
Os conectores BNC (British Naval Connector) com impedância de 50 Ω são fabricados de acordo as Normas IEC 169-8 e MIL-C 39012. Sua utilização principal é na conexão de cabos coaxiais de RF padrão RG58. Entre as aplicações, estão: telecomunicações, VHF, sinais de controle e monitoração de alta freqüência, redes de computadores, antenas, osciloscópios e em equipamentos médicos.
| Especificação | Detalhe |
|---|---|
| Impedância | 50 Ω |
| Frequência de operação | 0 – 4 GHz |
| Temperatura de operação | -65ºC a 155ºC |
| Tensão máxima de operação | 500 Volts |
| Tensão máxima de teste | 1500 Volts rms |
| VSWR | ≤ 1,3 até 4 GHz |
| Perda de retorno | 18 dB até 4 GHz |
| Perda de inserção | 0,1 dB até 4 GHz |
| Resistência de isolação | ≥ 5GΩ min |
| Resistência de isolação após conexão | ≥ 200MΩ min |
| Resistência de contato | ≤ 2,5 mΩ |
Somos referência em automação e controle industrial no Brasil. Atuamos como consultoria de engenharia, fabricantes de soluções próprias e distribuidores exclusivos Haiwell, oferecendo CLPs, IHMs e sistemas completos de automação. Unimos experiência, inovação e proximidade para elevar a eficiência, a segurança e a competitividade das indústrias em todo o país.
Conector BNC macho - CN3202
© Copyright 2026. DIVIA Marketing Digital. Todos os Direitos Reservados

Envie uma avaliação