Alfacomp
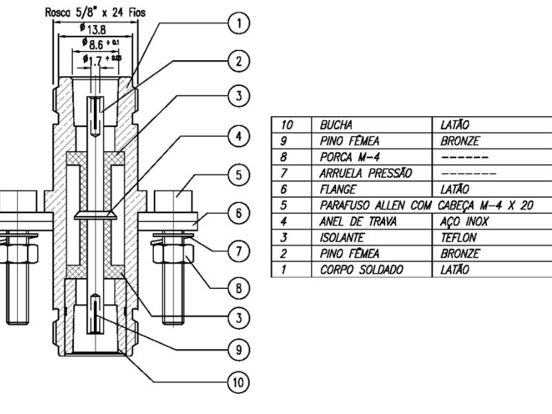
O centelhador de RF CN3203 funciona como protetor contra surtos nos cabos de radiofrequência, absorvendo sobretensões induzidas nas antenas. Atende o padrão de conectores tipo N com impedância de 50 Ω, fabricados conforme as normas IEC 169-16, MIL-C-39012 e MIL-55339. Pode ser instalado em quadros elétricos com rádios, ligando o cabo interno (rádio) ao cabo externo (antena).
| Especificação | Detalhe |
|---|---|
| Impedância | 50 Ω |
| Frequência de operação | 0 – 11 GHz |
| Temperatura de operação | -65 °C a 155 °C |
| Tensão máxima de operação | 1.400 Volts |
| Tensão máxima de teste | 2.500 Volts rms |
| VSWR | ≤ 1,3 até 4 GHz |
| Perda de retorno | 18 dB até 4 GHz |
| Perda de inserção | 0,15 dB até 4 GHz |
| Resistência de isolação | ≥ 5 GΩ mín |
| Resistência de isolação após conexão | ≥ 200 MΩ mín |
| Resistência de contato | ≤ 1 mΩ |
Somos referência em automação e controle industrial no Brasil. Atuamos como consultoria de engenharia, fabricantes de soluções próprias e distribuidores exclusivos Haiwell, oferecendo CLPs, IHMs e sistemas completos de automação. Unimos experiência, inovação e proximidade para elevar a eficiência, a segurança e a competitividade das indústrias em todo o país.
Protetor contra surtos de RF – Centelhador de RF - CN3203
© Copyright 2026. DIVIA Marketing Digital. Todos os Direitos Reservados

Envie uma avaliação