Alfacomp
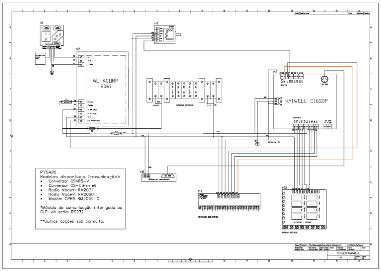
O painel de telemetria PT5420 é baseada no CLP Haiwell C16SOP. Os quadros apresentam alto índice de integração, modularidade, facilidade de manutenção, CLP de mercado com protocolo MODBUS RTU mestre e escravo, resultando em montagens de alto desempenho e baixo custo. Os equipamentos destinam-se ao uso em instalações de saneamento tais como elevatórias de água e esgoto, pontos de macromedição.
Aplicações do painel de telemetria PT5420 – Automação e telemetria de:
| Característica | PT5420 |
|---|---|
| CLP | Haiwell C16SOP 8ED 8SD |
| Elemento de comunicação | Conforme Tabela 2 – Elementos de Comunicação |
| Alimentação | Fonte carregadora com bateria e autonomia de 12 horas |
| Entradas analógicas | 8 entradas analógicas em 4 a 20 mA protegidas contra surtos |
| Saídas analógicas | Possibilidade de expansão com módulos IA2801 |
| Entradas digitais | 5 entradas digitais em 24V livres |
| Saídas digitais | 5 saídas digitais isoladas a réle pelo módulo ID2908 |
| Iluminação | Módulo SW3301 com 12 LEDs brancos de alta intensidade |
| Indicação de porta aberta | Sensor de porta aberta conectado ao CLP |
| Indicação de alimentação | Sensor indica alimentação pela rede ou pela bateria |
| Dimensões | Altura 40 x Largura 40 x Profundidade 20 cm |
| Grau de Proteção | IP54 (*consulte outros modelos) |
| Entrada de alimentação | Protegida por varistores e fusíveis |
| Modelo | Descrição |
|---|---|
| PT5420-CS485 | Conversor Serial RS232 / RS485 – Alfacomp CS485-V |
| PT5420-CSETH | Conversor Serial / Ethernet – Alfacomp CS-Ethernet |
| PT5420-RM2071 | Radio Modem 2.4GHz, 60mW – Alfacomp RM2071 |
| PT5420-RM2060 | Radio Modem 900MHz, 1W – Alfacomp RM2060 |
| PT5420-GPRS | Modem GPRS Quadriband, 2 SIM Cards – Alfacomp RM2016-G |

| Qtd. | Modelo | Descrição |
|---|---|---|
| 1 | Haiwell C16SOP | CLP com 08 entradas digitais, 08 saídas digitais, porta serial RS232 e RS485 |
| 1 | Elemento de Comunicação | De acordo com modelo escolhido |
| 1 | Alfacomp 2061 | Fonte de alimentação com bateria |
| 1 | Alfacomp – SW3300 | Seccionador e protetor com tomada |
| 1 | Alfacomp – SW3301 | Iluminador de painel com chave fim de curso |
| 1 | Alfacomp – IA2820 | Interface analógica multiplexada para 8 entradas em 4 a 20mA |
| 1 | Alfacomp – ID2908 | Isolador a relés para 8 saídas digitais |
| 1 | Alfacomp – CN3203 | Protetor contra surtos para cabo de RF com conexões N-fêmea (se o elemento de comunicação for rádio) |
| 1 | Alfacomp – CB3100 | Cabo interno de RF (se o elemento de comunicação for rádio) |
| 1 | Cemar – CS-4040-20 | Quadro de comando metálico |
| 1 | Cemar – BT-7 VD | Barra de terra |
| 3 | Porta fusível | Borne porta fusível |
| 10 | Borne | Borne Modular 2,5 mm |
| 9 | Poste | Poste Clip Fix 35-5 |

Somos referência em automação e controle industrial no Brasil. Atuamos como consultoria de engenharia, fabricantes de soluções próprias e distribuidores exclusivos Haiwell, oferecendo CLPs, IHMs e sistemas completos de automação. Unimos experiência, inovação e proximidade para elevar a eficiência, a segurança e a competitividade das indústrias em todo o país.
PT5420 – Painel de telemetria econômico
© Copyright 2026. DIVIA Marketing Digital. Todos os Direitos Reservados

Envie uma avaliação